Heat kit Fuzz

Maestro FZ-1a

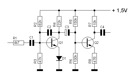
Wailer/Olson new sound

Messenger fuzz (mistery component=D1 or inductor)

Refs.:
- Low Voltage Boosters — Alternatives to the 9v Battery: http://www.muzique.com/lab/lowvolt.htm
Created: NaN
Last updated: 16-02-2026 [16:02]
For attribution, please cite this page as:
Charters, T., "List of 1.5V guitar pedals": https://nexp.pt/1.5_guitarpedals.html (16-02-2026 [16:02])
(cc-by-sa) Tiago Charters - tiagocharters@nexp.pt